施工升降机配件

产品分类

联系我们

启东凯顺机械制造有限公司

启东市三联建筑机械有限公司

江苏省启东市北新镇民主工业园区恒丰路92号
电话:0513-83855158
传真:0513-83351608

手机:13962813096

网址:www.jskaishun.com

联系人: 陆建冲


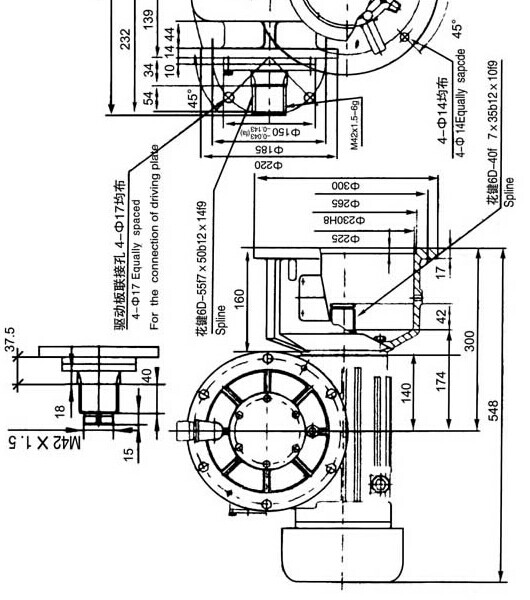
施工升降机蜗轮蜗杆减速机

施工升降机蜗轮蜗杆减速机

  • 所属分类:施工升降机专用减速机

  • 点击次数:
  • 发布日期:2017/12/11
  • 在线询价
详细介绍

   蜗轮蜗杆减速机是一种动力传达机构,利用齿轮的速度转换器,将电机(马达)的回转数减速到所要的回转数,并得到较大转矩的机构。在目前用于传递动力与运动的机构中,减速机的应用范围相当广泛。

122.jpg

121.jpg

相关标签:减速机,减速机价格,减速机批发

上一篇:没有了
下一篇:没有了

最近浏览:

欢迎给我们留言
请在此输入留言内容,我们会尽快与您联系。
姓名
联系人
电话
座机/手机号码